Problème nomenclature armatures à béton
FL
François Lambert
09 avril 2019
3987 0 2 0
Bonjour à tous,
Dans le cadre d'un travail scolaire, je tente de réaliser une nomenclature complète pour des aciers présents dans des poutres.
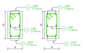
Mon problème est le suivant, lorsque des armatures à béton, j'ai donc procédé pour calculer mes quantités total, en mutipliant les nombres de barres dans un jeu d'armatures par les nombres d'hôtes. Cependant, lorsques plusieurs barres du même diamètre se trouvent dans un même élément, ma nomenclature contient des erreurs.
J'aimerais également ne pas détailler chaque occurrence dans ma nomenclature pour obtenir qu'une seule ligne par numéro d'armatures.
Voici quelques captures d'écrans qui vous aideront mieux à comprendre la situation.
Le paramètre "Nombre" ne me permet pas de multiplier avec les nombres de barres dans le jeu d'armatures, j'aimerais donc trouver une solution pour remédier à ce problème et je n'ai trouvé aucune discussion à ce sujet.
Merci d'avance,
François
Dans le cadre d'un travail scolaire, je tente de réaliser une nomenclature complète pour des aciers présents dans des poutres.
Mon problème est le suivant, lorsque des armatures à béton, j'ai donc procédé pour calculer mes quantités total, en mutipliant les nombres de barres dans un jeu d'armatures par les nombres d'hôtes. Cependant, lorsques plusieurs barres du même diamètre se trouvent dans un même élément, ma nomenclature contient des erreurs.
J'aimerais également ne pas détailler chaque occurrence dans ma nomenclature pour obtenir qu'une seule ligne par numéro d'armatures.
Voici quelques captures d'écrans qui vous aideront mieux à comprendre la situation.
Le paramètre "Nombre" ne me permet pas de multiplier avec les nombres de barres dans le jeu d'armatures, j'aimerais donc trouver une solution pour remédier à ce problème et je n'ai trouvé aucune discussion à ce sujet.
Merci d'avance,
François
Réponses
Il n y a pas encore de réponses, soyez le premier à rejoindre la discussion !
Pour écrire un commentaire, veuillezenregistrer ou log dans


