
Domaines d'application du BIM en bureau d'études
12261
NS
Nicolas SCHERER
Mise à jour le
Le travail du bureau d'études structures commence par l'import du modèle 3D. Les plans de coffrage et d'armatures seront créés à l'aide de celui-ci.
L'architecte fournit un modèle 3D qui sera importé et retravaillé par le bureau d'études structures:
- Il renseigne les types de béton des différents éléments
- Indique lesquels sont préfabriqués
- Filtre les éléments qu'il ne souhaite pas faire figurer sur les futurs plan : maçonnerie non porteuse, isolation.
Le bureau d'études peut maintenant établir les plans de coffrage:
- Il génère vues en plans et coupes dynamiques à partir du modèle 3D
- Il annote les vues et coupes. Les outils dynamiques seront modifiés de manière automatique en même temps que le modèle.
Le bureau d'études peut ensuite établir les plans de d'armatures:
- Il doit masquer les annotations de coffrage
- Il ferraille en 3D directement à l'intérieur du modèle 3D pour un aperçu réaliste du travail qui serq fqit sur chantier.
- Il annote les armatures nouvellement créées dans les vues en plans et coupes.
Le BIM permet au bureau d'études de créer ses plans à partir d'un unique modèle 3D et de faire varier les représentations en fonction du type de plan.
Article initialement publié sur La table à dessin
Commentaires
5 commentaires
Voir le plus utile
Vous avez déjà un compte? Connectez-vous maintenant
(Mise à jour: 12 décembre 2014)
Oui, bien sur, je le sais (ça fait 15 ans que je fais du coffrage). Mais je ne les dessine tout simplement pas.
C'est pourquoi je ne comprends pas pourquoi tu es obligé de les masquer...
C'est pourquoi je ne comprends pas pourquoi tu es obligé de les masquer...
JR
(Mise à jour: 12 décembre 2014)
Sur un plan béton on n'a pas besoin de représenter l'isolation ou les maconneries non porteuses, c'est pour cela qu'on choisit de ne pas les afficher dans le plan de coffrage béton.
NS
(Mise à jour: 12 décembre 2014)
Je suis d'accord avec toi, un peu vaut mieux que rien du tout, mais on reste sur sa faim ;)
Ce que tu décris est faisable avec les autres solutions logiciels (Revit, Tekla, Bentley, etc.). Ce qui me surprend c'est que tu sois obligé de masquer les éléments inutiles (maçonnerie non porteuse, isolation) pour le coffrage. Ou alors l'architecte t'a fourni un plan Allplan et il existe des outils avancés de collaboration comme dans Revit ?
Ce que tu décris est faisable avec les autres solutions logiciels (Revit, Tekla, Bentley, etc.). Ce qui me surprend c'est que tu sois obligé de masquer les éléments inutiles (maçonnerie non porteuse, isolation) pour le coffrage. Ou alors l'architecte t'a fourni un plan Allplan et il existe des outils avancés de collaboration comme dans Revit ?
JR
(Mise à jour: 12 décembre 2014)
C'est mieux que de ne rien expliquer du tout :)
Avec les solutions Nemetschek on peut :
- importer le modele IFC généré avec Allplan dans le logiciel de calcul (SCIA, ou CUBUS ou AXIS) celui-ci sera reconnu et "traduit" et servira à calculer ce qui est nécessaire.
- A partir des résultats de ces calculs, on créé les armatures, en 3D, directement dans le modèle grace à Allplan
- Si on souhaite afficher les aciers dans les même vues que celles créées pour le plan de coffrage a partir du modèle, c'est a ce moment qu'il faudra bien sur masquer les anotations du coffrage.
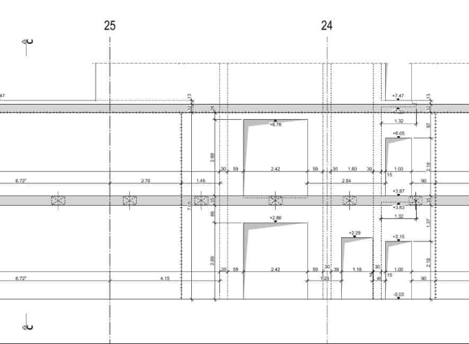
Voici une illustration d'armamtures dans le modèle avec Allplan
[img]http://hexabim.com/fr/media/com_easysocial/photos/175/258/04_original.jpg[/img]
Avec les solutions Nemetschek on peut :
- importer le modele IFC généré avec Allplan dans le logiciel de calcul (SCIA, ou CUBUS ou AXIS) celui-ci sera reconnu et "traduit" et servira à calculer ce qui est nécessaire.
- A partir des résultats de ces calculs, on créé les armatures, en 3D, directement dans le modèle grace à Allplan
- Si on souhaite afficher les aciers dans les même vues que celles créées pour le plan de coffrage a partir du modèle, c'est a ce moment qu'il faudra bien sur masquer les anotations du coffrage.
Voici une illustration d'armamtures dans le modèle avec Allplan
[img]http://hexabim.com/fr/media/com_easysocial/photos/175/258/04_original.jpg[/img]
NS
(Mise à jour: 12 décembre 2014)
Bonjour,
C'est comme ça que vous travaillez en Suisse ? J'ai l'impression que vous intervenez directement sur la maquette numérique (MN) de l'architecte ?
Corrigez moi si je me trompe mais vous avez raccourci les étapes ?
Il n'y a pas besoin de filtrer les éléments non désirables étant donné qu'il ne seront pas modélisés dans la MN structure...
Comment menez vous l'analyse structurelle ? Ne se baser que sur la MN architecte quant au modèle analytique relève du suicide technique ;)
Vouloir expliquer le BIM dans les BE avec si peu de mots est, je pense, mission impossible.
Cordialement,
Jonathan
C'est comme ça que vous travaillez en Suisse ? J'ai l'impression que vous intervenez directement sur la maquette numérique (MN) de l'architecte ?
Corrigez moi si je me trompe mais vous avez raccourci les étapes ?
Il n'y a pas besoin de filtrer les éléments non désirables étant donné qu'il ne seront pas modélisés dans la MN structure...
Comment menez vous l'analyse structurelle ? Ne se baser que sur la MN architecte quant au modèle analytique relève du suicide technique ;)
Vouloir expliquer le BIM dans les BE avec si peu de mots est, je pense, mission impossible.
Cordialement,
Jonathan
JR


